Главная > Подшипники> Шариковые> Радиальные сферические>50301

50301 — Подшипник шариковый радиальный однорядный с канавкой на наружном кольце, отечественное производство по ГОСТ стандарту, размер 12x37x12 основное исполнение.
Цена по запросу
Цена на подшипник зависит от:
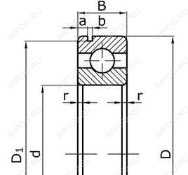
Габаритные размеры
Размеры и геометрические характеристики
Подшипник шариковый радиально-упорный 7-301 (ГПЗ-4)
Подшипник шариковый радиальный 6-301 (ГПЗ-4)
Подшипник однорядный шариковый радиальный 63001 (NIS, SKF)
Подшипник шариковый радиальный сферический двухрядный с цилиндрическим отверстием внутреннего кольца 1301 (ГПЗ-8)
Подшипник шариковый однорядный радиально-упорный 7301 B.JP (FAG)
Подшипник шариковый однорядный радиально-упорный 7301 B.JP.UA (FAG)