Главная > Однорядные >7301 B.JP

7301 B.JP — Подшипник шариковый однорядный радиально-упорный, импортное производство по ISO стандарту, размер 12x37x12 номер основного исполнения 7301.
Производитель: FAG.
P = Литой сепаратор из стеклонаполненного полиамида 6,6, центрируемый по телам качения.
Цена от:842 р.
Цена на подшипник зависит от:
| Обозначение | Модификация |
|---|---|
| 7301 | Основное конструктивное исполнение. |
| 7301C | С = Необслуживаемые концы стержней, внутренняя резьба. |
| 7301DT | T = Механически обработанный сепаратор из текстолита, центрируемый по телам качения. |
| S7301B | B = однокомпонентное ребристое внутреннее кольцо. |
| 7301 B | B = однокомпонентное ребристое внутреннее кольцо. |
| 7301DF | Комплект подшипников расположенных лицом к лицу, дуплексная Х-образная пара. |
| 7301 A | A = внутренняя модификация конструкции. |
| 7301DB | D = профиль наружного кольца, усовершенствованный, с увеличенной зоной несущей нагрузки и оптимизированными краевыми переходами. |
| 7301CDT | С = Необслуживаемые концы стержней, внутренняя резьба. |
| 7301BEA | A = внутренняя модификация конструкции. |
| 7301 BW | B = 40 градусов угол контакта. W = стальной сепаратор. |
| 7301BDF | B = 40 градусов угол контакта. DF = Два однорядных радиальных шарикоподшипника, однорядных радиально-упорных шарикоподшипника или однорядных конических роликоподшипника, согласованные для монтажа по Х-образной схеме. |
| 7301BDT | BD = Модифицированная внутренняя конструкция, угол контакта α = 30 градусов, без отверстия для заполнения. |
| 7301CDB | С = Необслуживаемые концы стержней, внутренняя резьба. |
| 7301CDF | Комплект подшипников расположенных лицом к лицу, дуплексная Х-образная пара. |
| 7301BDB | B = 40 градусов угол контакта. DB = два однорядных радиальных шарикоподшипника, однорядные радиально-упорные шарикоподшипники или однорядные конические роликовые подшипники, подходящие для монтажа в расположении друг за другом. |
| 7301 ADB | A = Модифицированная внутренняя конструкция. DB = два однорядных радиальных шарикоподшипника, однорядные радиально-упорные шарикоподшипники или однорядные конические роликовые подшипники, подходящие для монтажа в расположении друг к другу. |
| 7301 BEP | Радиально-упорный шарикоподшипник с угол контакта - 40. Оптимизированная внутренняя конструкция. Сепаратор армирован стекловолокном с шаровым центром. |
| 7301 ADT | T = Механически обработанный сепаратор из текстолита, центрируемый по телам качения. |
| 7301 ADF | Комплект подшипников расположенных лицом к лицу, дуплексная Х-образная пара. |
| 7301B-2RS | Резиновые уплотнения с каждой стороны подшипника. |
| 7301 A-UD | A = внутренняя модификация конструкции. |
| 7301 A-UO | A = внутренняя модификация конструкции. |
| 7301 A-UX | A = внутренняя модификация конструкции. |
| 7301 B.TVP | TVP = сегментный сепаратор, изготовленный из армированного стекловолокном полиамида PA66 направленная по роликам. |
| 7301-BE-TVP | E = Увеличенная грузоподъемность. TVP = (сегментная сепаратор, код P) = сплошная оконная сепаратор из армированного стекловолокном полиамида PA66. Катание на роликах. |
| 7301 B.JP.UA | B = 40 градусов угол контакта. JP = Прессованная стальная клеть, направляемая катящимся элементом. UA = универсальный монтаж, с конфигурациями O и X Подшипниковая пара имеет небольшой осевой зазор. |
| 7301 B.JP.UO | B = однокомпонентное ребристое внутреннее кольцо. |
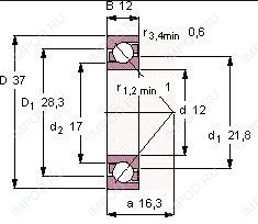
Габаритные размеры
Размеры и геометрические характеристики
Нагрузка и ресурс
Присоединительные размеры
Прочие характеристики
Подшипник шариковый радиально-упорный 7-301 (ГПЗ-4)
Подшипник шариковый радиальный 6-301 (ГПЗ-4)
Подшипник однорядный шариковый радиальный 63001 (NIS, SKF)
Подшипник шариковый радиальный сферический двухрядный с цилиндрическим отверстием внутреннего кольца 1301 (ГПЗ-8)
Подшипник однорядный шариковый радиальный 6301 (AST, CRAFT, CX, CYSD, FAG)
Подшипник однорядный шариковый радиальный 6301 2RS2 (FAG, NKE)