Главная > Подшипники> Шариковые> Радиальные сферические>50220

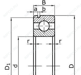
50220 — Подшипник шариковый радиальный однорядный с канавкой на наружном кольце, отечественное производство по ГОСТ стандарту, размер 100x180x34 основное исполнение.
Цена по запросу
Цена на подшипник зависит от:
Габаритные размеры
Размеры и геометрические характеристики
Однорядный цилиндрический роликовый подшипник NJ220 (CRAFT, FAG, FBJ, ISB, ISO)
Однорядный цилиндрический роликовый подшипник NU220 (CRAFT, FAG, FBJ, ISB, ISO)
Подшипник шариковый радиальный 6-220 (ГПЗ-3)
Подшипник роликовый сферический 20220 (FAG, ISO)
Подшипник шариковый радиальный сферический двухрядный с цилиндрическим отверстием внутреннего кольца 1220