Главная > Подшипники> Шариковые> Радиальные сферические>50214

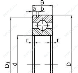
50214 — Подшипник шариковый радиальный однорядный с канавкой на наружном кольце, отечественное производство по ГОСТ стандарту, размер 70x125x24 основное исполнение.
Цена по запросу
Цена на подшипник зависит от:
Габаритные размеры
Размеры и геометрические характеристики
Однорядный цилиндрический роликовый подшипник NJ214 (CRAFT, FBJ, ISB, ISO, KOYO)
Однорядный цилиндрический роликовый подшипник NU214 (CRAFT, FBJ, ISB, ISO, KOYO)
Подшипник шариковый радиальный 6-214 (ГПЗ-3)
Подшипник шариковый радиальный 4-214 (ГПЗ-3)
Подшипник роликовый сферический 20214 (FAG, ISO)
Подшипник шариковый радиальный сферический двухрядный с цилиндрическим отверстием внутреннего кольца 1214