Главная > Подшипники> Шариковые> Радиальные сферические>50208 А

50208 А — Подшипник шариковый радиальный однорядный с канавкой на наружном кольце, отечественное производство по ГОСТ стандарту, размер 40x80x18 номер основного исполнения 50208.
А = Подшипник повышенной грузоподьемности. ГОСТ
Цена по запросу
Цена на подшипник зависит от:
| Обозначение | Модификация |
|---|---|
| 50208 | Основное конструктивное исполнение. |
| 6-50208 | |
| 50208E5 | Е = Увеличенная грузоподъемность. |
| 50208 У1 | У1 = Дополнительные требование к обработки деталей (Покрытия, радиальному и осевому зазору и т.д.). |
| 50208 АУ | А = Увеличенная грузоподемность подшипника. У = Дополнительные требование к обработки деталей (Покрытия, радиальному и осевому зазору и т.д.). |
| 50208 АШ | А = Увеличенная грузоподемность подшипника. Ш = Пониженые уровни вибрации и шума. |
| 50208 АУ1 | А = Увеличенная грузоподемность подшипника. У1 = Дополнительные требование к обработки деталей (Покрытия, радиальному и осевому зазору и т.д.) |
| 6-50208 Е5 | Е5 = Сепаратор из пластического материала (Текстолит, полиамид и т.д.) с изменением конструкции сепаратора. |
| Техника | Модель | Агрегат |
|---|---|---|
| УАЗ | 2206 | Ведущий вал коробки передач |
| УАЗ | 31512 с бортовой передачей | Ведущий вал коробки передач |
| УАЗ | 31512 | Ведущий вал коробки передач |
| УАЗ | 31514 с бортовой передачей | Ведущий вал коробки передач |
| УАЗ | 31514 | Ведущий вал коробки передач |
| УАЗ | 3153 | Ведущий вал коробки передач |
| УАЗ | 3303 | Ведущий вал коробки передач |
| УАЗ | 33036 | Ведущий вал коробки передач |
| УАЗ | 3741 | Ведущий вал коробки передач |
| УАЗ | 3909 | Ведущий вал коробки передач |
| УАЗ | 39094 | Ведущий вал коробки передач |
| УАЗ | 39095 | Ведущий вал коробки передач |
| УАЗ | 3962 | Ведущий вал коробки передач |
| УРАЛ | 375ДМ | Коробка отбора мощности |
| УРАЛ | 375Д | Коробка отбора мощности |
| УРАЛ | 4320 | Коробка отбора мощности |
| УРАЛ | 5557 | Коробка отбора мощности |
| УРАЛ | 5920 | Коробка отбора мощности |
| Комбайн | Нива | Коробка переключения передач |
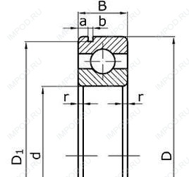
Габаритные размеры
Размеры и геометрические характеристики
Подшипник шариковый радиальный 6-208
Подшипник роликовый радиально-упорный 32208 (ГПЗ-4)
Подшипник шариковый радиальный 4-208
Подшипник роликовый сферический 20208 (FAG, ISO, SIGMA)
Подшипник шариковый радиальный сферический двухрядный с цилиндрическим отверстием внутреннего кольца 1208