Главная > Подшипники> Шариковые> Радиальные сферические>50206 А1

50206 А1 — Подшипник шариковый радиальный однорядный с канавкой на наружном кольце, отечественное производство по ГОСТ стандарту, размер 30x62x16 номер основного исполнения 50206.
Производитель: ГПЗ-11.
А1 = Увеличенная грузоподьемность подшипника.
Цена по запросу
Цена на подшипник зависит от:
| Обозначение | Модификация |
|---|---|
| 50206 | Основное конструктивное исполнение. |
| 50206А | А = Подшипник повышенной грузоподьемности. ГОСТ |
| 50206AK | К = Коническая посадка, конусность 1:12. |
| 50206 A | A = внутренняя модификация конструкции. |
| 50206 АК | А = Увеличенная грузоподемность подшипника. К = Конструктивное изменение зависящее от типа подшипника. |
| 50206 АШ | А = Увеличенная грузоподемность подшипника. Ш = Пониженые уровни вибрации и шума. |
| 50206 А1Ш | А1 = Увеличенная грузоподемность подшипника. Ш = Пониженые уровни вибрации и шума. |
| 7-50206 А1 | А1 = Увеличенная грузоподьемность подшипника. |
| 8-50206 А1 | А1 = Увеличенная грузоподьемность подшипника. |
| 6-50206 А1Ш | А1 = Увеличенная грузоподемность подшипника. Ш = Пониженые уровни вибрации и шума. |
| 6-50206 АШ1 | Ш1 = Пониженные уровни вибрации. |
| Техника | Модель | Агрегат |
|---|---|---|
| Комбайн | Нива | Вал коробки передач |
| Трактор | ЮМЗ-6АЛ | Гидросистема/привод насоса |
| Трактор | ЮМЗ-6АМ | Гидросистема/привод насоса |
| Трактор | ЮМЗ-6КМ | Гидросистема/привод насоса |
| Трактор | МТЗ-5К | Двигатель/привод насоса гидросистемы. опора передняя |
| Трактор | МТЗ-5ЛС | Двигатель/привод насоса гидросистемы. опора передняя |
| Трактор | МТЗ-5Л | Двигатель/привод насоса гидросистемы. опора передняя |
| Трактор | МТЗ-5МС | Двигатель/привод насоса гидросистемы. опора передняя |
| Трактор | МТЗ-5М | Двигатель/привод насоса гидросистемы. опора передняя |
| Трактор | МТЗ-50Л | Двигатель/привод насоса гидросистемы. опора передняя |
| Трактор | МТЗ-50ПЛ | Двигатель/привод насоса гидросистемы. опора передняя |
| Трактор | МТЗ-50 | Двигатель/привод насоса гидросистемы. опора передняя |
| Трактор | МТЗ-52Л | Двигатель/привод насоса гидросистемы. опора передняя |
| Трактор | МТЗ-52 | Двигатель/привод насоса гидросистемы. опора передняя |
| Трактор | МТЗ-5К | Двигатель/привод насоса. опора передняя |
| Трактор | МТЗ-5МС | Двигатель/регулятор частоты вращения |
| Комбайн | Енисей-1200 | Коробка переключения передач |
| Комбайн | Колос | Коробка переключения передач |
| Комбайн | Нива | Коробка переключения передач |
| Трактор | МТЗ-50ПЛ | Управление рулевое/привод насоса гидроусилителя |
| Комбайн | КЗС-3 | Коробка диапазонов/вал промежуточный |
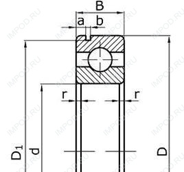
Габаритные размеры
Размеры и геометрические характеристики
Однорядный цилиндрический роликовый подшипник NJ206 (CRAFT, FAG, FBJ, ISB, ISO)
Однорядный цилиндрический роликовый подшипник NU206 (CRAFT, FAG, FBJ, ISB, ISO)
Подшипник шариковый радиальный 6-206 (ГПЗ-23)
Подшипник шариковый радиальный сферический двухрядный с цилиндрическим отверстием внутреннего кольца 5-1206 (ГПЗ-2)
Подшипник роликовый сферический 20206 (FAG, ISO, SIGMA)