Главная > Подшипники> Шариковые> Радиальные сферические>50118

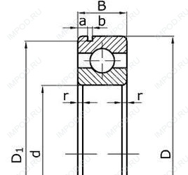
50118 — Подшипник шариковый радиальный однорядный с канавкой на наружном кольце, отечественное производство по ГОСТ стандарту, размер 90x140x24 основное исполнение.
Цена по запросу
Цена на подшипник зависит от:
Габаритные размеры
Размеры и геометрические характеристики
Однорядный цилиндрический роликовый подшипник NU1018 (CX, CYSD, FBJ, IBC, ISB)
Подшипник однорядный шариковый радиальный 6018 (AST, CRAFT, CX, CYSD, FAG)
Подшипник шариковый однорядный радиально-упорный B7018 C.T.P4S.UL (FAG)
Однорядный цилиндрический роликовый подшипник NU1018 M1.C3 (IBC)