Главная > Подшипники> Роликовые > Радиально-упорные>47896R/47820

47896R/47820 — Подшипник роликовый радиально-упорный, импортное производство по ISO стандарту, размер 95x146x33 номер основного исполнения .
Производитель: KOYO.
R = Наружное кольцо с фланцем .
Цена от:1 764 р.
Цена на подшипник зависит от:
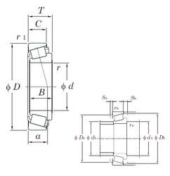
Габаритные размеры
Размеры и геометрические характеристики
Нагрузка и ресурс
Защита
Коэффициенты для расчета
Присоединительные размеры
Конструкция и исполнение
Однорядный конический роликовый подшипник 47896/47820 (CX, FBJ, ISB, ISO, NACHI)
Однорядный конический роликовый подшипник 47898/47820 (TIMKEN)
Конический роликоподшипник 4T-47896/47820 (NTN)