Главная > Подшипники> Роликовые > Радиально-упорные>47896/47820

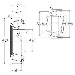
47896/47820 — Однорядный конический роликовый подшипник, импортное производство по ISO стандарту, размер 95x146x33 номер основного исполнения .
Производится брендами: CX, FBJ, ISB, ISO, NACHI, NIS, NSK, TIMKEN.
Цена от:3 601 р.
Цена на подшипник зависит от:
Габаритные размеры
Размеры и геометрические характеристики
Нагрузка и ресурс
Защита
Коэффициенты для расчета
Присоединительные размеры
Конструкция и исполнение
Прочие характеристики
Подшипник роликовый радиально-упорный 47896R/47820 (KOYO)
Однорядный конический роликовый подшипник 47898/47820 (TIMKEN)
Конический роликоподшипник 4T-47896/47820 (NTN)