Главная > Подшипники> Роликовые > Радиально-упорные>47681R/47620

47681R/47620 — Подшипник роликовый радиально-упорный, импортное производство по ISO стандарту, размер 80x133x33 номер основного исполнения .
Производитель: KOYO.
R = Наружное кольцо с фланцем .
Цена от:1 886 р.
Цена на подшипник зависит от:
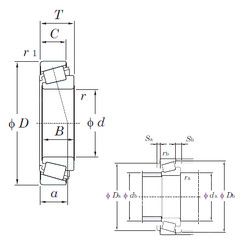
Габаритные размеры
Размеры и геометрические характеристики
Нагрузка и ресурс
Защита
Коэффициенты для расчета
Присоединительные размеры
Конструкция и исполнение
Однорядный конический роликовый подшипник 47681/47620 (CX, FBJ, ISO, TIMKEN)
Однорядный конический роликовый подшипник 47681/47620-B (TIMKEN)
Конический роликоподшипник 47681/47620A (NACHI)
Конический роликоподшипник 4T-47681/47620 (NTN)