Главная > Подшипники> Роликовые > Радиально-упорные>47681/47620A

47681/47620A — Конический роликоподшипник, импортное производство по ISO стандарту, размер 80x133x33 номер основного исполнения .
Производитель: NACHI.
A = внутренняя модификация конструкции.
Цена от:1 886 р.
Цена на подшипник зависит от:
Габаритные размеры
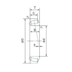
Размеры и геометрические характеристики
Нагрузка и ресурс
Защита
Коэффициенты для расчета
Присоединительные размеры
Конструкция и исполнение
Однорядный конический роликовый подшипник 47681/47620 (CX, FBJ, ISO, TIMKEN)
Однорядный конический роликовый подшипник 47681/47620-B (TIMKEN)
Подшипник роликовый радиально-упорный 47681R/47620 (KOYO)
Конический роликоподшипник 4T-47681/47620 (NTN)