Главная > Подшипники> Роликовые > Радиально-упорные>45344

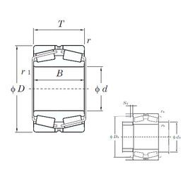
45344 — Подшипник роликовый конический двухрядный, импортное производство по ISO стандарту, размер 220x370x120 основное исполнение.
Производитель: KOYO.
Цена по запросу
Цена на подшипник зависит от:
Габаритные размеры
Размеры и геометрические характеристики
Нагрузка и ресурс
Защита
Коэффициенты для расчета
Присоединительные размеры
Конструкция и исполнение
Подшипник роликовый сферический 23144 (FAG, FBJ, ISB)
Подшипник роликовый радиальный сферический двухрядный с бортиками на внутреннем кольце с цилиндрическим отверстием внутреннего кольца 3003744
Подшипник роликовый сферический 23144 E1.K.C3 (FAG)
Подшипник роликовый сферический 23144 E1.K (FAG)
Подшипник роликовый сферический 23144 E1.C3 (FAG)