Главная > Подшипники> Роликовые > Радиально-упорные>436/432A

436/432A — Подшипник роликовый радиально-упорный, импортное производство по ISO стандарту, размер 46x95x27 номер основного исполнения .
Производится брендами: KOYO, NIS, NSK.
A = внутренняя модификация конструкции.
Цена по запросу
Цена на подшипник зависит от:
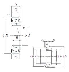
Габаритные размеры
Размеры и геометрические характеристики
Нагрузка и ресурс
Защита
Коэффициенты для расчета
Присоединительные размеры
Конструкция и исполнение
Прочие характеристики
Однорядный конический роликовый подшипник 436/432 (CX, FBJ, ISO, TIMKEN)
Конический роликоподшипник 4T-436/432 (NTN)