Главная > Подшипники> Роликовые > Радиально-упорные>436/432

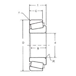
436/432 — Однорядный конический роликовый подшипник, импортное производство по ISO стандарту, размер 46x95x27 номер основного исполнения .
Производится брендами: CX, FBJ, ISO, TIMKEN.
Цена по запросу
Цена на подшипник зависит от:
Габаритные размеры
Размеры и геометрические характеристики
Нагрузка и ресурс
Защита
Коэффициенты для расчета
Присоединительные размеры
Конструкция и исполнение
Подшипник роликовый радиально-упорный 436/432A (KOYO, NIS, NSK)
Конический роликоподшипник 4T-436/432 (NTN)