Главная > Подшипники> Шариковые> Упорные>4124-AW

4124-AW — Подшипник шариковый упорный, импортное производство по ISO стандарту, размер 120x180x52 номер основного исполнения 4124.
Производитель: INA.
A = Модифицированная внутренняя конструкция. W = Без кольцевой канавки и смазочных отверстий в наружном кольце.
Цена по запросу
Цена на подшипник зависит от:
| Обозначение | Модификация |
|---|---|
| 4124 | Основное конструктивное исполнение. |
| C4124K30V | Тороидальные подшипники CARB. К = Коническая посадка, конусность 1:12. |
| NNU4124-M | Двухрядный цилиндрический роликоподшипник. Коническое отверстие позволяет регулировать внутренний зазор. Имеются масляная канавка и масляное отверстие в центре наружного кольца. M = массивный латунный сепаратор. |
| NNU 4124 M/W33 | Двухрядный цилиндрический роликоподшипник. Коническое отверстие позволяет регулировать внутренний зазор. Имеются масляная канавка и масляное отверстие в центре наружного кольца. W3 = Смазочный паз и три отверстия в наружном кольце подшипника. |
| C4124-2CS5V/GEM9 | Тороидальные подшипники CARB. 2CS = увеличенная грузоподьемность и Резиновые уплотнения с каждой стороны подшипника. |
| NNU 4124 K30M/W33 | Двухрядный цилиндрический роликоподшипник. Коническое отверстие позволяет регулировать внутренний зазор. Имеются масляная канавка и масляное отверстие в центре наружного кольца. W3 = Смазочный паз и три отверстия в наружном кольце подшипника. |
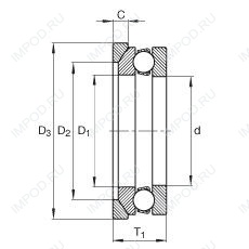
Габаритные размеры
Размеры и геометрические характеристики
Нагрузка и ресурс
Прочие характеристики