Главная > Подшипники> Шариковые> Радиально-упорные>3NCHAR928C

3NCHAR928C — Радиально-упорный шарикоподшипник, импортное производство по ISO стандарту, размер 140x190x24 номер основного исполнения 928.
Производитель: KOYO.
A = Модифицированная внутренняя конструкция. R = Наружное кольцо с фланцем.
Цена по запросу
Цена на подшипник зависит от:
| Обозначение | Модификация |
|---|---|
| 928 | Основное конструктивное исполнение. |
| HAR928 | |
| HAR928C | С = Необслуживаемые концы стержней, внутренняя резьба. |
| HSB928C | С = Необслуживаемые концы стержней, внутренняя резьба. |
| SL12 928 | |
| SL14 928 | |
| SL11 928 | |
| SL15 928 | |
| HAR928CA | CA = Цельный обработанный латунный сепаратор, двойной зуб, удерживающие фланцы на внутреннем кольце и направляющем кольце, центрированные на внутреннем кольце. |
| HTA928DB | D = профиль наружного кольца, усовершенствованный, с увеличенной зоной несущей нагрузки и оптимизированными краевыми переходами. |
| 3NCHAR928 | A = Модифицированная внутренняя конструкция. R = Наружное кольцо с фланцем. |
| 3NCHAC928C | AC = Угол контакта 25 градусов. |
| 3NCHAC928CA | CA = Цельный обработанный латунный сепаратор, двойной зуб, удерживающие фланцы на внутреннем кольце и направляющем кольце, центрированные на внутреннем кольце. |
| 3NCHAR928CA | CA = Цельный обработанный латунный сепаратор, двойной зуб, удерживающие фланцы на внутреннем кольце и направляющем кольце, центрированные на внутреннем кольце. |
| 5S-2LA-HSE928G/GNP42 | GN = нормальная предварительная нагрузка. P = Литой сепаратор из стеклонаполненного полиамида 6,6, центрируемый по телам качения. |
| 5S-2LA-HSE928CG/GNP42 | GN = нормальная предварительная нагрузка. P = Литой сепаратор из стеклонаполненного полиамида 6,6, центрируемый по телам качения. |
| 5S-2LA-HSE928ADG/GNP42 | GN = нормальная предварительная нагрузка. P = Литой сепаратор из стеклонаполненного полиамида 6,6, центрируемый по телам качения. |
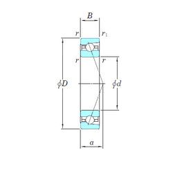
Габаритные размеры
Размеры и геометрические характеристики
Нагрузка и ресурс
Защита
Коэффициенты для расчета
Присоединительные размеры
Конструкция и исполнение
Подшипник шариковый радиальный однорядный 1000928
Подшипник шариковый однорядный радиально-упорный B71928 C.T.P4S.UL (FAG)
Подшипник шариковый однорядный радиально-упорный B71928 E.T.P4S.UL (FAG)
Подшипник однорядный шариковый радиальный 61928 MA.C3 (SKF)
Подшипник шариковый радиальный однорядный 1000928 Л