Главная > Подшипники> Шариковые> Радиально-упорные>3NCHAR034

3NCHAR034 — Радиально-упорный шарикоподшипник, импортное производство по ISO стандарту, размер 170x260x42 номер основного исполнения .
Производитель: KOYO.
A = Модифицированная внутренняя конструкция. R = Наружное кольцо с фланцем.
Цена по запросу
Цена на подшипник зависит от:
Габаритные размеры
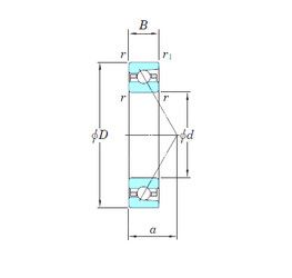
Размеры и геометрические характеристики
Нагрузка и ресурс
Защита
Присоединительные размеры
Конструкция и исполнение
Однорядный цилиндрический роликовый подшипник NU1034 (CX, CYSD, FAG, ISB, ISO)
Подшипник однорядный шариковый радиальный 6034 (CX, CYSD, FAG, ISO, KOYO)
Подшипник шариковый радиальный однорядный 134
Подшипник роликовый радиальный с короткими цилиндрическими роликами без бортов на внутреннем кольце 32134
Однорядный цилиндрический роликовый подшипник NU1034 M1 (FAG)
Однорядный цилиндрический роликовый подшипник NU1034 M1.C3 (FAG)