Главная > Подшипники> Шариковые> Радиально-упорные>3NCHAR030CA

3NCHAR030CA — Радиально-упорный шарикоподшипник, импортное производство по ISO стандарту, размер 150x225x35 номер основного исполнения .
Производитель: KOYO.
CA = Цельный обработанный латунный сепаратор, двойной зуб, удерживающие фланцы на внутреннем кольце и направляющем кольце, центрированные на внутреннем кольце.
Цена по запросу
Цена на подшипник зависит от:
Габаритные размеры
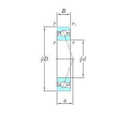
Размеры и геометрические характеристики
Нагрузка и ресурс
Защита
Присоединительные размеры
Конструкция и исполнение
Однорядный цилиндрический роликовый подшипник NU1030 (CX, CYSD, FAG, ISB, ISO)
Подшипник однорядный шариковый радиальный 6030 (CX, CYSD, FAG, ISB, ISO)
Подшипник шариковый однорядный радиально-упорный 7030 (CYSD, KOYO, NACHI, NTN, SKF)
Однорядный цилиндрический роликовый подшипник NU1030 M1 (FAG)
Однорядный цилиндрический роликовый подшипник NU1030 M1.C3 (FAG)
Однорядный цилиндрический роликовый подшипник NU1030 ML.C3 (FAG)