Главная > Подшипники> Шариковые> Радиально-упорные>3NCHAF917CA

3NCHAF917CA — Радиально-упорный шарикоподшипник, импортное производство по ISO стандарту, размер 85x120x18 номер основного исполнения 917.
Производитель: KOYO.
CA = Цельный обработанный латунный сепаратор, двойной зуб, удерживающие фланцы на внутреннем кольце и направляющем кольце, центрированные на внутреннем кольце.
Цена по запросу
Цена на подшипник зависит от:
| Обозначение | Модификация |
|---|---|
| 917 | Основное конструктивное исполнение. |
| HAR917 | |
| HAR917C | С = Необслуживаемые концы стержней, внутренняя резьба. |
| HSB917C | С = Необслуживаемые концы стержней, внутренняя резьба. |
| HAR917CA | CA = Цельный обработанный латунный сепаратор, двойной зуб, удерживающие фланцы на внутреннем кольце и направляющем кольце, центрированные на внутреннем кольце. |
| 3NCHAR917 | A = Модифицированная внутренняя конструкция. R = Наружное кольцо с фланцем. |
| 5S-HSB917C | S (Сегментное уплотнение, код 2L) = кулачковый толкатель, Camrol, герметичная версия. B = шестигранное отверстие ,заменяет шлиц отвертки в конце фланца штока. |
| 3NCHAC917C | AC = Угол контакта 25 градусов. |
| 3NCHAR917C | A = Модифицированная внутренняя конструкция. R = Наружное кольцо с фланцем. |
| 3NCHAC917CA | CA = Цельный обработанный латунный сепаратор, двойной зуб, удерживающие фланцы на внутреннем кольце и направляющем кольце, центрированные на внутреннем кольце. |
| 3NCHAR917CA | CA = Цельный обработанный латунный сепаратор, двойной зуб, удерживающие фланцы на внутреннем кольце и направляющем кольце, центрированные на внутреннем кольце. |
| 3NC HAR917C FT | C = отклоняющаяся или измененная внутренняя конструкция с одинаковыми граничными размерами. F = Механически обработанный сепаратор из стали или чугуна, центрируемый по телам качения. |
| 5S-2LA-HSE917G/GNP42 | GN = нормальная предварительная нагрузка. P = Литой сепаратор из стеклонаполненного полиамида 6,6, центрируемый по телам качения. |
| 5S-2LA-HSE917CG/GNP42 | GN = нормальная предварительная нагрузка. P = Литой сепаратор из стеклонаполненного полиамида 6,6, центрируемый по телам качения. |
| 5S-2LA-HSE917ADG/GNP42 | GN = нормальная предварительная нагрузка. P = Литой сепаратор из стеклонаполненного полиамида 6,6, центрируемый по телам качения. |
| 5S-2LA-BNS917LLBG/GNP42 | LLB = Уплотнение из синтетического каучука бесконтактного типа. |
| 5S-2LA-BNS917CLLBG/GNP42 | LLB = Уплотнение из синтетического каучука бесконтактного типа. |
| 5S-2LA-BNS917ADLLBG/GNP42 | LLB = Уплотнение из синтетического каучука бесконтактного типа. |
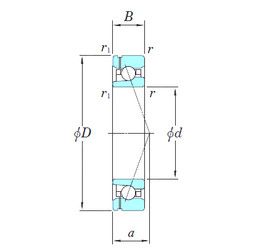
Габаритные размеры
Размеры и геометрические характеристики
Нагрузка и ресурс
Защита
Присоединительные размеры
Конструкция и исполнение
Подшипник однорядный шариковый радиальный 61917 (CRAFT, CX, ISB, ISO, NKE)
Подшипник шариковый однорядный радиально-упорный B71917 E.T.P4S.UL (FAG)
Подшипник шариковый однорядный радиально-упорный HS71917 E.T.P4S.UL (FAG)