Главная > Подшипники> Роликовые > Радиально-упорные>3980/3920

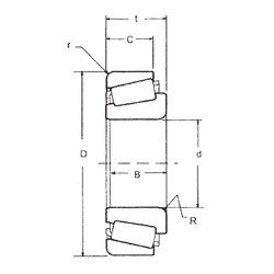
3980/3920 — Однорядный конический роликовый подшипник, импортное производство по ISO стандарту, размер 60x112x30 номер основного исполнения .
Производится брендами: CX, FBJ, Fersa, ISO, TIMKEN.
Цена от:1 648 р.
Цена на подшипник зависит от:
Габаритные размеры
Размеры и геометрические характеристики
Нагрузка и ресурс
Защита
Коэффициенты для расчета
Присоединительные размеры
Конструкция и исполнение
Подшипник роликовый радиально-упорный 120060/120112XC (Gamet)
Подшипник роликовый радиально-упорный 120060/120112X (Gamet)
Однорядный конический роликовый подшипник 3977/3920 (CX, ISO, TIMKEN)
Конический роликоподшипник 3977/3920-B (TIMKEN)
Подшипник роликовый радиально-упорный 3977/3925 (KOYO, TIMKEN)
Конический роликоподшипник 3980/20 (PFI)