Главная > Подшипники> Роликовые > Радиально-упорные>3977/3925

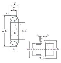
3977/3925 — Подшипник роликовый радиально-упорный, импортное производство по ISO стандарту, размер 60x112x30 номер основного исполнения .
Производится брендами: KOYO, TIMKEN.
Цена от:3 383 р.
Цена на подшипник зависит от:
Габаритные размеры
Размеры и геометрические характеристики
Нагрузка и ресурс
Защита
Коэффициенты для расчета
Присоединительные размеры
Конструкция и исполнение
Подшипник роликовый радиально-упорный 120060/120112XC (Gamet)
Подшипник роликовый радиально-упорный 120060/120112X (Gamet)
Однорядный конический роликовый подшипник 3977/3920 (CX, ISO, TIMKEN)
Конический роликоподшипник 3977/3920-B (TIMKEN)
Однорядный конический роликовый подшипник 3980/3920 (CX, FBJ, Fersa, ISO, TIMKEN)
Конический роликоподшипник 3980/20 (PFI)