Главная > Подшипники> Шариковые> Радиально-упорные>3813-B-2Z-TVH

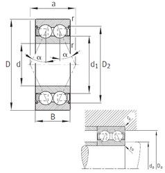
3813-B-2Z-TVH — Радиально-упорный шарикоподшипник, импортное производство по ISO стандарту, размер 65x85x15 номер основного исполнения 3813.
Производитель: FAG.
TV = Твердая клетка из армированного стекловолокном полиамида, шариковая езда.
Цена по запросу
Цена на подшипник зависит от:
| Обозначение | Модификация |
|---|---|
| 3813-B-2RSR-TVH | 2RSR = Резиновые уплотнения с каждой стороны подшипника. |
Габаритные размеры
Размеры и геометрические характеристики
Нагрузка и ресурс
Защита
Присоединительные размеры
Конструкция и исполнение