Главная > Подшипники> Роликовые > Радиально-упорные>368/362

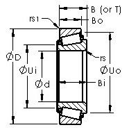
368/362 — Однорядный конический роликовый подшипник, импортное производство по ISO стандарту, размер 50x88x20 номер основного исполнения .
Производится брендами: AST, CX, ISO, TIMKEN.
Цена от:1 214 р.
Цена на подшипник зависит от:
Габаритные размеры
Размеры и геометрические характеристики
Нагрузка и ресурс
Защита
Присоединительные размеры
Конструкция и исполнение
Прочие характеристики
Подшипник роликовый радиально-упорный 18790/18723 (KOYO, TIMKEN)
Подшипник роликовый радиально-упорный 365/362A (CX, FBJ, ISO, KOYO, TIMKEN)
Однорядный конический роликовый подшипник 366/362A (CX, FBJ, ISO, KOYO, NIS)
Однорядный конический роликовый подшипник 368/362A (FBJ, Fersa, KOYO, NACHI, NIS)
Однорядный конический роликовый подшипник 368A/362A (AST, CX, FBJ, Fersa, ISB)
Конический роликоподшипник 368A/2A (PFI)