Главная > Подшипники> Роликовые > Радиально-упорные>365/362A

365/362A — Подшипник роликовый радиально-упорный, импортное производство по ISO стандарту, размер 50x88x20 номер основного исполнения .
Производится брендами: CX, FBJ, ISO, KOYO, TIMKEN.
A = внутренняя модификация конструкции.
Цена от:997 р.
Цена на подшипник зависит от:
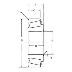
Габаритные размеры
Размеры и геометрические характеристики
Нагрузка и ресурс
Защита
Коэффициенты для расчета
Присоединительные размеры
Конструкция и исполнение
Подшипник роликовый радиально-упорный 18790/18723 (KOYO, TIMKEN)
Однорядный конический роликовый подшипник 366/362A (CX, FBJ, ISO, KOYO, NIS)
Однорядный конический роликовый подшипник 368/362 (AST, CX, ISO, TIMKEN)
Однорядный конический роликовый подшипник 368/362A (FBJ, Fersa, KOYO, NACHI, NIS)
Однорядный конический роликовый подшипник 368A/362A (AST, CX, FBJ, Fersa, ISB)
Конический роликоподшипник 368A/2A (PFI)