Главная > Подшипники> Роликовые > Радиально-упорные>339/332

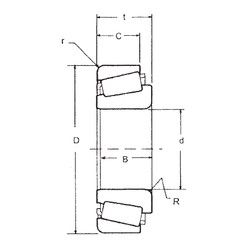
339/332 — Однорядный конический роликовый подшипник, импортное производство по ISO стандарту, размер 35x80x21 номер основного исполнения .
Производится брендами: CX, FBJ, ISO, KOYO, TIMKEN.
Цена от:1 518 р.
Цена на подшипник зависит от:
Габаритные размеры
Размеры и геометрические характеристики
Нагрузка и ресурс
Защита
Коэффициенты для расчета
Присоединительные размеры
Конструкция и исполнение
Однорядный цилиндрический роликовый подшипник NU307 (CRAFT, CYSD, FAG, FBJ, ISB)
Однорядный цилиндрический роликовый подшипник NJ307 (CRAFT, FAG, FBJ, ISB, ISO)
Подшипник шариковый радиальный 6-307
Подшипник шариковый радиальный 4-307
Подшипник роликовый сферический 20307 (FAG, ISO, SIGMA)
Подшипник роликовый сферический 21307 (ISB, SKF)