Главная > Подшипники> Роликовые > Радиально-упорные>323080

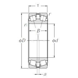
323080 — Конический роликоподшипник, импортное производство по ISO стандарту, размер 400x600x148 основное исполнение.
Производитель: NTN.
Цена по запросу
Цена на подшипник зависит от:
Габаритные размеры
Размеры и геометрические характеристики
Нагрузка и ресурс
Защита
Коэффициенты для расчета
Присоединительные размеры
Конструкция и исполнение
Подшипник роликовый радиальный самоцентрирующийся 23080 (ISB, SKF)
Подшипник роликовый радиальный сферический двухрядный с бортиками на внутреннем кольце с цилиндрическим отверстием внутреннего кольца 3003180
Подшипник роликовый сферический 3063180 (ГПЗ-1)
Подшипник роликовый сферический 23080 CC.W33 (SKF)
Подшипник роликовый сферический 23080 K.MB (FAG, SKF)