Главная > Подшипники> Роликовые > Радиально-упорные>30317JR

30317JR — Подшипник роликовый радиально-упорный, импортное производство по ISO стандарту, размер 85x180x44 номер основного исполнения 30317.
Производитель: KOYO.
J = Сепаратор стальной штампованный незакалённый.
Цена от:3 187 р.
Цена на подшипник зависит от:
| Обозначение | Модификация |
|---|---|
| 30317 | Основное конструктивное исполнение. |
| 30317R | R = Наружное кольцо с фланцем . |
| 30317U | |
| 30317D | D = профиль наружного кольца, усовершенствованный, с увеличенной зоной несущей нагрузки и оптимизированными краевыми переходами. |
| 30317DU | DU = (RS1-SKF) = Уплотнительное контактное уплотнение из акрилонитрил-бутадиеновой резины (NBR) из листовой стали на одной стороне подшипника. |
| 30317 A | A = внутренняя модификация конструкции. |
| 30317 J | J = Сепаратор стальной штампованный незакалённый. |
| 30317DJR | R = Наружное кольцо с фланцем . |
| 430317DU | DU = (RS1-SKF) = Уплотнительное контактное уплотнение из акрилонитрил-бутадиеновой резины (NBR) из листовой стали на одной стороне подшипника. |
| 430317XU | X = Внешние размеры, соответствующие международным стандартам. |
| HR30317J | J = Сепаратор стальной штампованный незакалённый. |
| 30317 J2 | J = Сепаратор стальной штампованный незакалённый. |
| 30317DUDF | DU = (RS1-SKF) = Уплотнительное контактное уплотнение из акрилонитрил-бутадиеновой резины (NBR) из листовой стали на одной стороне подшипника. |
| HR30317DJ | D = профиль наружного кольца, усовершенствованный, с увеличенной зоной несущей нагрузки и оптимизированными краевыми переходами. |
| 46T30317JR/77 | R = Наружное кольцо с фланцем . |
| X30317M/Y30317M | Y = Штампованный латунный сепаратор, центрируемый по телам качения. |
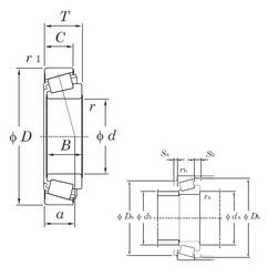
Габаритные размеры
Размеры и геометрические характеристики
Нагрузка и ресурс
Защита
Коэффициенты для расчета
Присоединительные размеры
Конструкция и исполнение
Однорядный конический роликовый подшипник 31317 (CYSD, FAG, ISB, ISO, NIS)
Однорядный конический роликовый подшипник 31317A (CX, ZVL)
Однорядный конический роликовый подшипник HR31317J (NSK)