Главная > Подшипники> Роликовые > Радиально-упорные>30306J

30306J — Однорядный конический роликовый подшипник, импортное производство по ISO стандарту, размер 30x72x20 номер основного исполнения 30306.
Производитель: KBC.
J = Сепаратор стальной штампованный незакалённый.
Цена от:445 р.
Цена на подшипник зависит от:
| Обозначение | Модификация |
|---|---|
| 30306 | Основное конструктивное исполнение. |
| 30306F | Механически обработанный сепаратор из стали или чугуна, центрируемый по телам качения. |
| 30306A | A = внутренняя модификация конструкции. |
| 30306C | С = Необслуживаемые концы стержней, внутренняя резьба. |
| 30306D | D = профиль наружного кольца, усовершенствованный, с увеличенной зоной несущей нагрузки и оптимизированными краевыми переходами. |
| 30306DJ | D = профиль наружного кольца, усовершенствованный, с увеличенной зоной несущей нагрузки и оптимизированными краевыми переходами. |
| 30306Jh | J = Штампованный металлический фиксатор, направляющий элемент качения. H = Штампованный защелкивающийся стальной сепаратор, закаленный. |
| 30306JR | R = Наружное кольцо с фланцем . |
| 30306CN | С = Необслуживаемые концы стержней, внутренняя резьба. |
| 30306DJR | R = Наружное кольцо с фланцем . |
| 4T-30306 | |
| E30306DJ | D = профиль наружного кольца, усовершенствованный, с увеличенной зоной несущей нагрузки и оптимизированными краевыми переходами. |
| HR30306J | J = Сепаратор стальной штампованный незакалённый. |
| HR30306C | С = Необслуживаемые концы стержней, внутренняя резьба. |
| 30306J2/Q | Q = тихий ход работы подшипника. |
| 4T-30306D | D = профиль наружного кольца, усовершенствованный, с увеличенной зоной несущей нагрузки и оптимизированными краевыми переходами. |
| H-E30306J | J = Сепаратор стальной штампованный незакалённый. |
| HR30306DJ | D = профиль наружного кольца, усовершенствованный, с увеличенной зоной несущей нагрузки и оптимизированными краевыми переходами. |
| 4T-30306CA | CA = Цельный обработанный латунный сепаратор, двойной зуб, удерживающие фланцы на внутреннем кольце и направляющем кольце, центрированные на внутреннем кольце. |
| 4T-430306DX | X = Внешние размеры, соответствующие международным стандартам. |
| 7306 (30306) | |
| X30306/Y30306 | Y = Штампованный латунный сепаратор, центрируемый по телам качения. |
| X30306M/Y30306M | Y = Штампованный латунный сепаратор, центрируемый по телам качения. |
| 46T30306DJR/31.5 | R = Наружное кольцо с фланцем . |
| HI-CAP 57089/30306J | P5 = Подшипники 5-го класса точности DIN |
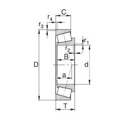
Габаритные размеры
Размеры и геометрические характеристики
Нагрузка и ресурс
Защита
Коэффициенты для расчета
Присоединительные размеры
Конструкция и исполнение
Однорядный конический роликовый подшипник 31306 (CYSD, FAG, FBJ, ISB, ISO)
Подшипник шариковый радиальный 1680206
Подшипник шариковый радиальный 1680206 Т2С17 (ГПЗ-8)
Подшипник шариковый радиальный 1680206 К7Т2С17
Подшипник роликовый радиально-упорный 5-7306 К (ГПЗ-15)
Подшипник роликовый радиально-упорный 6-7306 К (ГПЗ-15)