Главная > Подшипники> Роликовые > Радиально-упорные>30222JR

30222JR — Однорядный конический роликовый подшипник, импортное производство по ISO стандарту, размер 110x200x41 номер основного исполнения 30222.
Производитель: KOYO.
J = Сепаратор стальной штампованный незакалённый.
Цена от:1 382 р.
Цена на подшипник зависит от:
| Обозначение | Модификация |
|---|---|
| 30222 | Основное конструктивное исполнение. |
| 30222F | Механически обработанный сепаратор из стали или чугуна, центрируемый по телам качения. |
| 30222U | |
| E30222J | J = Сепаратор стальной штампованный незакалённый. |
| 30222 J | J = Сепаратор стальной штампованный незакалённый. |
| 30222 A | A = внутренняя модификация конструкции. |
| 30222-XL | X = Внешние размеры, соответствующие международным стандартам. L = массивный сепаратор из лёгкого сплава. |
| 430222XU | X = Внешние размеры, соответствующие международным стандартам. |
| HR30222J | J = Сепаратор стальной штампованный незакалённый. |
| 30222 J2 | J = Сепаратор стальной штампованный незакалённый. |
| 30222J/DF | Комплект подшипников расположенных лицом к лицу, дуплексная Х-образная пара. |
| 30222J2/DF | Комплект подшипников расположенных лицом к лицу, дуплексная Х-образная пара. |
| 46T30222JR/74 | R = Наружное кольцо с фланцем . |
| X30222/Y30222 | Y = Штампованный латунный сепаратор, центрируемый по телам качения. |
| X30222M/Y30222M | Y = Штампованный латунный сепаратор, центрируемый по телам качения. |
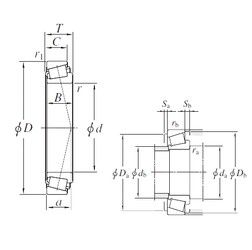
Габаритные размеры
Размеры и геометрические характеристики
Нагрузка и ресурс
Защита
Коэффициенты для расчета
Присоединительные размеры
Конструкция и исполнение
Подшипник роликовый радиально-упорный конический 7222 (ГПЗ-4)
Подшипник шариковый однорядный радиально-упорный 7222 B.MP (NSK)
Подшипник шариковый однорядный радиально-упорный 7222 B.MP.UO (NSK)
Подшипник шариковый однорядный радиально-упорный 7222 B.TVP.UO (NSK)