Главная > Подшипники> Роликовые > Радиально-упорные>30209JR

30209JR — Однорядный конический роликовый подшипник, импортное производство по ISO стандарту, размер 45x85x20 номер основного исполнения 30209.
Производитель: KOYO.
J = Сепаратор стальной штампованный незакалённый.
Цена от:381 р.
Цена на подшипник зависит от:
| Обозначение | Модификация |
|---|---|
| 30209 | Основное конструктивное исполнение. |
| 30209F | Механически обработанный сепаратор из стали или чугуна, центрируемый по телам качения. |
| 30209J | J = Сепаратор стальной штампованный незакалённый. |
| 30209C | С = Необслуживаемые концы стержней, внутренняя резьба. |
| 430209U | |
| E30209J | J = Сепаратор стальной штампованный незакалённый. |
| 30209-A | A = внутренняя модификация конструкции. |
| 30209XR | R = Наружное кольцо с фланцем . |
| 30209-XL | X = Внешние размеры, соответствующие международным стандартам. L = массивный сепаратор из лёгкого сплава. |
| 4T-30209 | |
| HR30209J | J = Сепаратор стальной штампованный незакалённый. |
| 30209 J2 | J = Сепаратор стальной штампованный незакалённый. |
| 4T-430209 | |
| 30209 J2/Q | Q = тихий ход работы подшипника. |
| 4T-30209DF | Комплект подшипников расположенных лицом к лицу, дуплексная Х-образная пара. |
| 7209 (30209) | |
| X30209/Y30209 | 9Y = Y = (Сегментная клетка, код Y) = Листовая латунная клетка, направляемый элемент качения. |
| 46T30209JR/37.5 | R = Наружное кольцо с фланцем . |
| X30209M/Y30209M | Y = Штампованный латунный сепаратор, центрируемый по телам качения. |
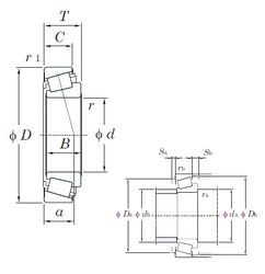
Габаритные размеры
Размеры и геометрические характеристики
Нагрузка и ресурс
Защита
Коэффициенты для расчета
Присоединительные размеры
Конструкция и исполнение
Подшипник шариковый радиальный 480209 С 17
Подшипник роликовый радиально-упорный конический 5-7209 (ГПЗ-1)
Подшипник роликовый радиально-упорный конический 6-7209 (ГПЗ-1)
Подшипник роликовый радиально-упорный 6-7209 А1 (ГПЗ-1)