Главная > Подшипники> Роликовые > Радиально-упорные>302/28R

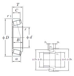
302/28R — Однорядный конический роликовый подшипник, импортное производство по ISO стандарту, размер 28x58x17 номер основного исполнения .
Производитель: KOYO.
R = Наружное кольцо с фланцем .
Цена от:9 287 р.
Цена на подшипник зависит от:
Габаритные размеры
Размеры и геометрические характеристики
Нагрузка и ресурс
Защита
Коэффициенты для расчета
Присоединительные размеры
Конструкция и исполнение
Подшипник роликовый радиально-упорный 6-7706 (ГПЗ-9)
Подшипник роликовый радиально-упорный 7706А
Подшипник роликовый радиально-упорный конический 7706
Подшипник роликовый радиально-упорный 302/28CR (KOYO)
Подшипник роликовый радиально-упорный 302/28C (KBC)
Конический роликоподшипник 4T-302/28STPX1 (NTN)