Главная > Подшипники> Роликовые > Радиально-упорные>302/28CR

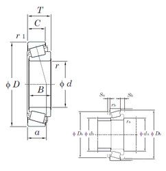
302/28CR — Подшипник роликовый радиально-упорный, импортное производство по ISO стандарту, размер 28x58x17 номер основного исполнения .
Производитель: KOYO.
Однорядные радиальные роликоподшипники
Цена от:2 211 р.
Цена на подшипник зависит от:
Габаритные размеры
Размеры и геометрические характеристики
Нагрузка и ресурс
Защита
Коэффициенты для расчета
Присоединительные размеры
Конструкция и исполнение
Подшипник роликовый радиально-упорный 6-7706 (ГПЗ-9)
Подшипник роликовый радиально-упорный 7706А
Подшипник роликовый радиально-упорный конический 7706
Однорядный конический роликовый подшипник 302/28R (KOYO)
Подшипник роликовый радиально-упорный 302/28C (KBC)
Конический роликоподшипник 4T-302/28STPX1 (NTN)