Главная > Подшипники> Роликовые > Упорные>294/850-E1-MB

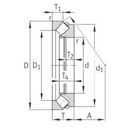
294/850-E1-MB — Осевой радиально-упорный роликоподшипник, импортное производство по ISO стандарту, размер 850x1440x354 номер основного исполнения .
Производитель: INA.
MB = Обработанный латунный сепаратор с внутренним кольцом.
Цена по запросу
Цена на подшипник зависит от:
Габаритные размеры
Размеры и геометрические характеристики
Нагрузка и ресурс
Защита
Присоединительные размеры
Конструкция и исполнение
Другие размеры
Подшипник упорно-радиальный роликовый сферический одинарный 90394/850
Подшипник роликовый упорно-радиальный 294/850 M (ISB)
Подшипник роликовый упорно-радиальный сферический 294/850-E-MB (FAG)