Главная > Подшипники> Роликовые > Упорные>294/850-E-MB

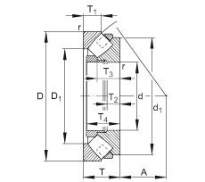
294/850-E-MB — Подшипник роликовый упорно-радиальный сферический, импортное производство по ISO стандарту, размер 850x1440x354 номер основного исполнения .
Производитель: FAG.
E = Увеличенная грузоподъемность. М = Механически обработанный латунный сепаратор, центрируемый по роликам.
Цена по запросу
Цена на подшипник зависит от:
Габаритные размеры
Размеры и геометрические характеристики
Нагрузка и ресурс
Присоединительные размеры
Прочие характеристики
Подшипник упорно-радиальный роликовый сферический одинарный 90394/850
Подшипник роликовый упорно-радиальный 294/850 M (ISB)
Осевой радиально-упорный роликоподшипник 294/850-E1-MB (INA)