Главная > Подшипники> Роликовые > Упорные>294/630-E1-MB

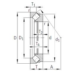
294/630-E1-MB — Осевой радиально-упорный роликоподшипник, импортное производство по ISO стандарту, размер 630x1090x280 номер основного исполнения .
Производитель: INA.
MB = Обработанный латунный сепаратор с внутренним кольцом.
Цена по запросу
Цена на подшипник зависит от:
Габаритные размеры
Размеры и геометрические характеристики
Нагрузка и ресурс
Защита
Присоединительные размеры
Конструкция и исполнение
Другие размеры
Подшипник упорно-радиальный роликовый сферический одинарный 90394/630
Подшипник роликовый упорно-радиальный 294/630 (KOYO, TIMKEN)
Подшипник роликовый упорно-радиальный 294/630 M (CX, ISB, ISO)
Подшипник роликовый упорный сферический 294/630-E-MB (FAG)