Главная > Подшипники> Роликовые > Упорные>294/630-E-MB

294/630-E-MB — Подшипник роликовый упорный сферический, импортное производство по ISO стандарту, размер 630x1090x280 номер основного исполнения .
Производитель: FAG.
E = Увеличенная грузоподъемность. М = Механически обработанный латунный сепаратор, центрируемый по роликам.
Цена по запросу
Цена на подшипник зависит от:
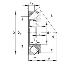
Габаритные размеры
Размеры и геометрические характеристики
Нагрузка и ресурс
Присоединительные размеры
Прочие характеристики
Подшипник упорно-радиальный роликовый сферический одинарный 90394/630
Подшипник роликовый упорно-радиальный 294/630 (KOYO, TIMKEN)
Подшипник роликовый упорно-радиальный 294/630 M (CX, ISB, ISO)
Осевой радиально-упорный роликоподшипник 294/630-E1-MB (INA)