Главная > Подшипники> Роликовые > Упорные>294/560

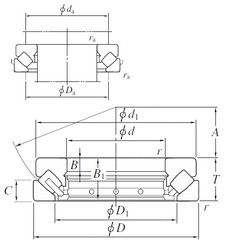
294/560 — Подшипник роликовый упорно-радиальный, импортное производство по ISO стандарту, размер 560x980x250 номер основного исполнения .
Производится брендами: KOYO, NTN.
Цена по запросу
Цена на подшипник зависит от:
Габаритные размеры
Размеры и геометрические характеристики
Нагрузка и ресурс
Защита
Присоединительные размеры
Конструкция и исполнение
Подшипник упорно-радиальный роликовый сферический одинарный 90394/560
Осевой радиально-упорный роликоподшипник 294/560-E1-MB (INA)
Подшипник роликовый упорно-радиальный сферический 294/560-E-MB (FAG)
Подшипник роликовый упорный сферический 294/560 M (ISB)