Главная > Подшипники> Роликовые > Упорные>294/560-E-MB

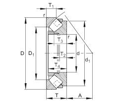
294/560-E-MB — Подшипник роликовый упорно-радиальный сферический, импортное производство по ISO стандарту, размер 560x980x250 номер основного исполнения .
Производитель: FAG.
E = Увеличенная грузоподъемность. М = Механически обработанный латунный сепаратор, центрируемый по роликам.
Цена по запросу
Цена на подшипник зависит от:
Габаритные размеры
Размеры и геометрические характеристики
Нагрузка и ресурс
Присоединительные размеры
Прочие характеристики
Подшипник упорно-радиальный роликовый сферический одинарный 90394/560
Подшипник роликовый упорно-радиальный 294/560 (KOYO, NTN)
Осевой радиально-упорный роликоподшипник 294/560-E1-MB (INA)
Подшипник роликовый упорный сферический 294/560 M (ISB)