Главная > Подшипники> Роликовые > Упорные>294/500

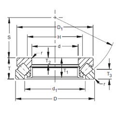
294/500 — Осевой радиально-упорный роликоподшипник, импортное производство по ISO стандарту, размер 500x870x224 номер основного исполнения .
Производится брендами: NTN, TIMKEN.
Цена от:975 810 р.
Цена на подшипник зависит от:
Габаритные размеры
Размеры и геометрические характеристики
Нагрузка и ресурс
Защита
Присоединительные размеры
Конструкция и исполнение
Другие размеры
Подшипник упорно-радиальный роликовый сферический одинарный 90394/500 X
Подшипник роликовый упорный сферический 294/500 M (CX, ISB, ISO)
Подшипник роликовый упорный сферический 294/500-E1-MB (INA)
Подшипник роликовый упорный сферический 294/500-E-MB (FAG)
Подшипник роликовый упорный сферический 294/500E (NACHI)
Подшипник роликовый упорно-радиальный 294/500R (KOYO)