Главная > Подшипники> Роликовые > Упорные>294/500-E-MB

294/500-E-MB — Подшипник роликовый упорный сферический, импортное производство по ISO стандарту, размер 500x870x224 номер основного исполнения .
Производитель: FAG.
E = Увеличенная грузоподъемность. М = Механически обработанный латунный сепаратор, центрируемый по роликам.
Цена от:975 810 р.
Цена на подшипник зависит от:
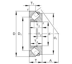
Габаритные размеры
Размеры и геометрические характеристики
Нагрузка и ресурс
Присоединительные размеры
Прочие характеристики
Подшипник упорно-радиальный роликовый сферический одинарный 90394/500 X
Подшипник роликовый упорный сферический 294/500 M (CX, ISB, ISO)
Подшипник роликовый упорный сферический 294/500-E1-MB (INA)
Осевой радиально-упорный роликоподшипник 294/500 (NTN, TIMKEN)
Подшипник роликовый упорный сферический 294/500E (NACHI)
Подшипник роликовый упорно-радиальный 294/500R (KOYO)