Главная > Подшипники> Роликовые > Упорные>29388R

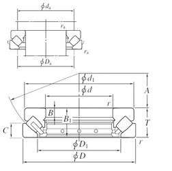
29388R — Подшипник роликовый упорно-радиальный, импортное производство по ISO стандарту, размер 440x680x145 номер основного исполнения 29388.
Производитель: KOYO.
R = Наружное кольцо с фланцем .
Цена от:931 830 р.
Цена на подшипник зависит от:
| Обозначение | Модификация |
|---|---|
| 29388 | Основное конструктивное исполнение. |
| 29388E | Е = Увеличенная грузоподъемность. |
| 29388EM | E = Увеличенная грузоподъемность. М = Механически обработанный латунный сепаратор, центрируемый по роликам. |
| 29388 M | M = массивный латунный сепаратор. |
| 29388-E1-MB | MB = Обработанный латунный сепаратор с внутренним кольцом. |
Габаритные размеры
Размеры и геометрические характеристики
Нагрузка и ресурс
Защита
Присоединительные размеры
Конструкция и исполнение