Главная > Подшипники> Роликовые > Упорные>29388

29388 — Подшипник роликовый упорный сферический, импортное производство по ISO стандарту, размер 440x680x145 основное исполнение.
Производится брендами: NIS, NTN, TIMKEN.
Цена от:931 830 р.
Цена на подшипник зависит от:
| Обозначение | Модификация |
|---|---|
| 29388E | Е = Увеличенная грузоподъемность. |
| 29388R | R = Наружное кольцо с фланцем . |
| 29388EM | E = Увеличенная грузоподъемность. М = Механически обработанный латунный сепаратор, центрируемый по роликам. |
| 29388 M | M = массивный латунный сепаратор. |
| 29388-E1-MB | MB = Обработанный латунный сепаратор с внутренним кольцом. |
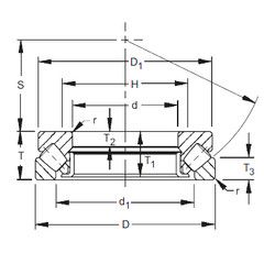
Габаритные размеры
Размеры и геометрические характеристики
Нагрузка и ресурс
Защита
Присоединительные размеры
Конструкция и исполнение
Другие размеры
Прочие характеристики