Главная > Подшипники> Роликовые > Упорные>29372R

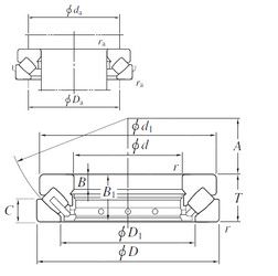
29372R — Подшипник роликовый упорно-радиальный, импортное производство по ISO стандарту, размер 360x560x122 номер основного исполнения 29372.
Производитель: KOYO.
R = Наружное кольцо с фланцем .
Цена по запросу
Цена на подшипник зависит от:
| Обозначение | Модификация |
|---|---|
| 29372 | Основное конструктивное исполнение. |
| 29372E | Е = Увеличенная грузоподъемность. |
| 29372 M | M = массивный латунный сепаратор. |
| 29372-E1-MB | MB = Обработанный латунный сепаратор с внутренним кольцом. |
Габаритные размеры
Размеры и геометрические характеристики
Нагрузка и ресурс
Защита
Присоединительные размеры
Конструкция и исполнение