Главная > Подшипники> Роликовые > Упорные>29372-E1-MB

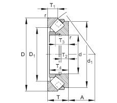
29372-E1-MB — Подшипник роликовый упорный сферический, импортное производство по ISO стандарту, размер 360x560x122 номер основного исполнения 29372.
Производится брендами: FAG, INA.
MB = Обработанный латунный сепаратор с внутренним кольцом.
Цена по запросу
Цена на подшипник зависит от:
Габаритные размеры
Размеры и геометрические характеристики
Нагрузка и ресурс
Защита
Присоединительные размеры
Конструкция и исполнение
Другие размеры
Прочие характеристики