Главная > Подшипники> Роликовые > Упорные>29368-M

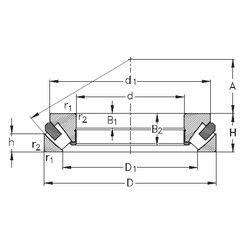
29368-M — Подшипник роликовый упорный сферический, импортное производство по ISO стандарту, размер 340x540x122 номер основного исполнения 29368.
Производится брендами: CX, ISB, ISO, NKE.
M = массивный латунный сепаратор.
Цена от:461 139 р.
Цена на подшипник зависит от:
| Обозначение | Модификация |
|---|---|
| 29368 | Основное конструктивное исполнение. |
| 29368E | Е = Увеличенная грузоподъемность. |
| 29368R | R = Наружное кольцо с фланцем . |
| 29368-E1-MB | MB = Обработанный латунный сепаратор с внутренним кольцом. |
Габаритные размеры
Размеры и геометрические характеристики
Нагрузка и ресурс
Защита
Присоединительные размеры
Конструкция и исполнение