Главная > Подшипники> Роликовые > Упорные>29368-E1-MB

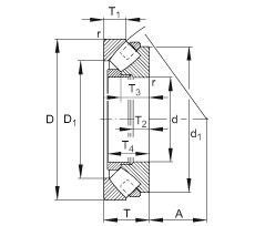
29368-E1-MB — Подшипник роликовый упорно-радиальный сферический, импортное производство по ISO стандарту, размер 340x540x122 номер основного исполнения 29368.
Производится брендами: FAG, INA.
MB = Обработанный латунный сепаратор с внутренним кольцом.
Цена от:461 139 р.
Цена на подшипник зависит от:
Габаритные размеры
Размеры и геометрические характеристики
Нагрузка и ресурс
Защита
Присоединительные размеры
Конструкция и исполнение
Другие размеры
Прочие характеристики