Главная > Подшипники> Роликовые > Упорные>29336

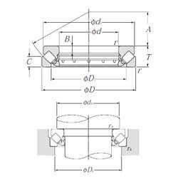
29336 — Подшипник роликовый упорный сферический, импортное производство по ISO стандарту, размер 180x300x73 основное исполнение.
Производится брендами: KOYO, NIS, NTN.
Цена от:30 621 р.
Цена на подшипник зависит от:
Габаритные размеры
Размеры и геометрические характеристики
Нагрузка и ресурс
Защита
Присоединительные размеры
Конструкция и исполнение
Прочие характеристики
Подшипник упорно-радиальный роликовый сферический одинарный 9039336К
Подшипник упорно-радиальный роликовый сферический одинарный 9039336
Подшипник упорный с цилиндрическими роликами одинарный двухрядный 9889336
Упорный роликоподшипник 180TMP93 (NSK)