Главная > Подшипники> Роликовые > Упорные>29336-E1

29336-E1 — Подшипник роликовый упорный сферический, импортное производство по ISO стандарту, размер 180x300x73 номер основного исполнения 29336.
Производится брендами: FAG, INA.
E1 = Проектирование повышенной емкости.
Цена от:46 471 р.
Цена на подшипник зависит от:
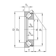
Габаритные размеры
Размеры и геометрические характеристики
Нагрузка и ресурс
Защита
Присоединительные размеры
Конструкция и исполнение
Другие размеры
Прочие характеристики
Подшипник упорно-радиальный роликовый сферический одинарный 9039336К
Подшипник упорно-радиальный роликовый сферический одинарный 9039336
Подшипник упорный с цилиндрическими роликами одинарный двухрядный 9889336
Упорный роликоподшипник 180TMP93 (NSK)