Главная > Подшипники> Роликовые > Упорные>293/600

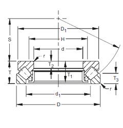
293/600 — Подшипник роликовый упорный сферический, импортное производство по ISO стандарту, размер 600x900x180 номер основного исполнения .
Производитель: TIMKEN.
Цена по запросу
Цена на подшипник зависит от:
Габаритные размеры
Размеры и геометрические характеристики
Защита
Присоединительные размеры
Конструкция и исполнение
Другие размеры
Подшипник упорно-радиальный роликовый сферический одинарный 90393/600
Осевой радиально-упорный роликоподшипник 293/600-E1-MB (INA)
Подшипник роликовый упорно-радиальный 293/600 M (CX, ISB, ISO)
Подшипник роликовый упорно-радиальный сферический 293/600-E-MB (FAG)