Главная > Подшипники> Роликовые > Упорные>293/600-E-MB

293/600-E-MB — Подшипник роликовый упорно-радиальный сферический, импортное производство по ISO стандарту, размер 600x900x180 номер основного исполнения .
Производитель: FAG.
E = Увеличенная грузоподъемность. М = Механически обработанный латунный сепаратор, центрируемый по роликам.
Цена по запросу
Цена на подшипник зависит от:
Габаритные размеры
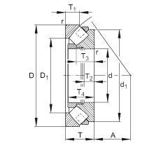
Размеры и геометрические характеристики
Нагрузка и ресурс
Присоединительные размеры
Прочие характеристики
Подшипник упорно-радиальный роликовый сферический одинарный 90393/600
Осевой радиально-упорный роликоподшипник 293/600-E1-MB (INA)
Подшипник роликовый упорный сферический 293/600 (TIMKEN)
Подшипник роликовый упорно-радиальный 293/600 M (CX, ISB, ISO)